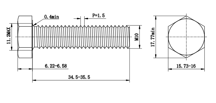
GB/T 5783-M10x35X1.5-8.8-达克罗
产品详情
产品名称:全螺纹外六角螺栓
执行标准:GB/T 5783
公称规格:M10x35
螺距规格:1.5mm
性能等级:8.8级
产品材质:碳钢
表面处理:达克罗
|
|
|
|
|
|
|
|
|
|
|
|
|
|
|
产品描述
产品概述
本品为符合GB/T 5783标准的全螺纹外六角螺栓,规格M10x35,螺距1.5mm。采用碳钢材质制造,经调质热处理达到8.8级高强度性能,表面采用达克罗防腐处理。全螺纹设计提供更灵活的安装位置与全长啮合,适用于需要高强度与优异耐腐蚀性的各种连接场景。
核心优势
1 全螺纹设计:杆部全长螺纹,提供灵活的安装位置,可与螺母实现全程配合
2 8.8级高强度:优质碳钢经调质热处理,抗拉强度达800MPa,承载性能可靠
3 卓越防腐保护:达克罗涂层耐腐蚀性极佳,耐盐雾时间远超普通电镀工艺
4 精准螺纹精度:螺距1.5mm精确控制,确保与配套螺母的顺畅拧入与可靠连接
适用行业
1 钢结构建筑:钢梁、桁架等需要全长调节与锁紧的连接部位
2 机械设备:重型设备机架、防护栏等需要高强度与耐腐蚀的紧固点
3 汽车制造:底盘部件、悬挂系统等关键结构连接
4 电力设施:输电塔架、变电站设备等户外高强度连接
温馨提示
1 本品为全螺纹设计,安装时螺母可在任意位置锁紧,请根据实际需要调整安装位置
2 达克罗涂层为亚光银灰色,安装时请使用合适的工具,避免损坏涂层影响防腐效果
专业顾问团队在线,随时为您提供解决方案
联系我们
联系我们:范经理-电话/微信:135-6073-0094 邮件:Flora@toprecision.com 敖经理-电话/微信:13560729614 邮件:Olia@toprecision.com
© Copyright 2011 - 2026 深圳市永精精密技术有限公司 版权所有
粤ICP备2025493240号-1

