一站式紧固件
定制生产专家
你可以问我任何问题
  • 给我总部销售的联系方式
  • 给我印尼销售的联系方式
  • 给我印度销售的联系方式

精密紧固件 · 技术中心

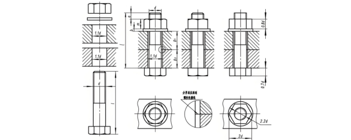
专注于高端精密紧固件的研发创新、工艺优化与品质管控,依托先进生产设备与专业技术团队,为工业制造、电子电器、机械设备、汽车配件等领域提供高精度、高强度、高可靠性的紧固件解决方案,以技术创新驱动产品升级,以匠心品质保障客户使用安全。

精密紧固件 · 技术中心

专注于高端精密紧固件的研发创新、工艺优化与品质管控,依托先进生产设备与专业技术团队,为工业制造、电子电器、机械设备、汽车配件等领域提供高精度、高强度、高可靠性的紧固件解决方案,以技术创新驱动产品升级,以匠心品质保障客户使用安全。

核心技术能力 全方位支撑
产品研发与创新设计
定制化紧固件研发
根据客户行业需求与使用场景,自主研发非标、特种精密紧固件,满足差异化装配要求。
新材料工艺应用
研究不锈钢、钛合金、高强度合金钢等材料特性,优化成型工艺,提升产品性能。
结构优化设计
通过力学分析与结构设计,增强紧固件抗拉、抗剪、防松、防锈等核心性能。
精密生产与工艺管控
高精度冷镦成型
采用全自动精密冷镦设备,实现紧固件高效、高精度成型,保证尺寸一致性。
螺纹精密加工
专业螺纹滚制与切削工艺,确保螺纹精度达标,配合顺畅,连接稳固。
表面处理工艺
提供镀锌、镀镍、达克罗、发黑等多种表面处理,提升防腐与耐磨性能。
品质检测与质量保障
全尺寸精密检测
使用二次元、投影仪、硬度计等设备,100%检测产品尺寸与外观精度。
力学性能测试
严格开展拉力、扭力、硬度、盐雾测试,确保产品符合国家标准与行业规范。
全流程质量管控
从原材料入厂到成品出库,执行全流程质检体系,杜绝不良品流向市场。
技术支持与方案优化
行业应用方案定制
针对不同行业设备特性,提供专属紧固件选型与装配技术方案。
装配技术指导
为客户提供紧固件安装、紧固、防松等专业技术指导与解决方案。
产品迭代升级
根据市场与客户反馈,持续优化产品性能,推动紧固件技术迭代升级。
设备保障与生产优化
自动化设备运维
专业团队维护精密生产设备,保障设备稳定运行与生产效率。
生产流程优化
持续优化生产工序,降低损耗,提升产能,缩短交付周期。
模具研发与改良
自主研发与改良生产模具,适配高精度、复杂型紧固件生产。
标准制定与技术合规
国标/行标严格执行
所有产品严格遵循GB、ISO、DIN等国内外标准设计生产与检测。
环保合规管控
执行环保生产标准,产品符合RoHS等环保要求,绿色安全。
技术专利与创新
持续申报技术专利,打造自主核心技术,提升企业核心竞争力。
全制程严控品质
  • 模具制作

    模具制作

  • 冷镦(单/多工位)

    冷镦(单/多工位)

  • 搓丝

    搓丝

  • 机加工

    机加工

  • 热处理

    热处理

  • 表面处理

    表面处理

  • 自动组装

    自动组装

  • 光筛

    光筛

质检设备
  • 金相显微镜

    金相显微镜

  • 布氏硬度计

    布氏硬度计

  • 维氏硬度计

    维氏硬度计

  • 二次元

    二次元

  • 投影仪

    投影仪

  • 万能试验机

    万能试验机

  • 恒温恒湿箱

    恒温恒湿箱

  • 光谱仪

    光谱仪

  • 膜厚仪

    膜厚仪

  • ROHS检测仪

    ROHS检测仪

  • 摩擦系数仪

    摩擦系数仪

立即咨询,获取专属精密紧固件技术解决方案!

立即咨询

立即咨询,获取专属紧固件技术方案!

立即咨询
微信咨询

微信咨询

手机扫码加我微信

长按扫码二维码

来图定制