GB/T 5789-M6X30-碳钢-8.8-环保达克罗
产品详情
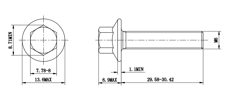
产品名称:六角法兰面螺栓 (小系列)
执行标准:GB/T 5789
公称规格:M6×30
性能等级:8.8级
产品材质:碳钢
表面处理:环保达克罗
|
|
|
|
|
|
|
|
|
|
|
|
|
|
|
产品描述
产品概述
本品为符合GB/T 5789标准的六角法兰面螺栓(小系列),规格M6×30。采用碳钢材质制造,经热处理达到8.8级高强度性能,表面采用环保达克罗涂层处理。一体式法兰面设计兼具支承与防松功能,是各种机械连接中可靠且高效的紧固解决方案。
核心优势
1 一体法兰面设计:增大支承面积,有效分散压力,防松性能好,省去单独垫圈
2 8.8级高强度:优质碳钢经热处理,抗拉强度高,承载性能可靠稳定
3 卓越防腐性能:达克罗涂层提供极佳防锈能力,耐盐雾时间远超普通电镀
4 环保无氢脆:处理过程清洁环保,且无氢脆风险,保证产品内在质量
适用行业
1 汽车零部件:发动机支架、底盘部件、变速箱等关键部位连接
2 工程机械:挖掘机、装载机等重型设备的结构件与附件固定
3 电力设备:配电柜、变压器、开关设备等需要耐腐蚀的连接点
4 户外设施:护栏系统、通讯基站、光伏支架等耐候性要求高的场合
温馨提示
1 本品为8.8级高强度螺栓,安装时请使用扭矩扳手并按标准扭矩值紧固
2 达克罗涂层为亚光银灰色表面,请避免使用尖锐工具划伤以保持最佳防腐效果
专业顾问团队在线,随时为您提供解决方案
联系我们
联系我们:范经理-电话/微信:135-6073-0094 邮件:Flora@toprecision.com 敖经理-电话/微信:13560729614 邮件:Olia@toprecision.com
© Copyright 2011 - 2026 深圳市永精精密技术有限公司 版权所有
粤ICP备2025493240号-1

