GB/T70.3-M5×10-锌镍合金本色
产品详情
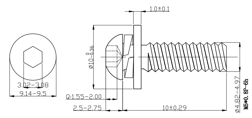
产品名称:内六角平圆头螺钉
执行标准:GB/T70.3
螺纹规格:M5×10
头部类型:平圆头
槽型:内六角
表面处理:锌镍合金本色


产品描述
产品概述
本品为符合GB/T 70.3标准的内六角平圆头螺钉,规格M5×10mm。采用低剖面平圆头设计,兼具圆头的流畅外观与平头的低安装高度。表面采用锌镍合金本色处理,提供卓越的防腐蚀性能,内六角驱动确保高效的扭矩传递,适用于对结构紧凑性、强度和防锈要求较高的场合。
核心优势 1 紧凑美观设计:低剖面平圆头节省安装空间,同时保持圆滑流畅的外观
2 优异防锈保护:锌镍合金镀层耐腐蚀性能卓越,使用寿命长
3 高效扭矩传递:内六角槽型提供更好的扭矩传递,安装紧密可靠
适用行业 1 精密机械设备:数控机床、自动化设备等需要紧凑安装的精密结构
2 电子电器设备:服务器、精密仪器等内部空间受限的组装场合
3 模具工装夹具:模具安装、精密夹具等需要高强度连接的部位
4 医疗器械:医疗设备、检测仪器等对清洁度和防锈要求高的场景
温馨提示 1 请选用合适尺寸的内六角扳手,确保完全嵌入槽口,避免滑牙损坏
2 安装时保持螺钉垂直工件表面,确保头部与接触面完全贴合
专业顾问团队在线,随时为您提供解决方案
联系我们
联系我们:范经理-电话/微信:135-6073-0094 邮件:Flora@toprecision.com 敖经理-电话/微信:13560729614 邮件:Olia@toprecision.com
© Copyright 2011 - 2026 深圳市永精精密技术有限公司 版权所有
粤ICP备2025493240号-1