GB/T16674-M6×26-8.8-10B21Φ5.8-环保锌镍合金本色8-15μm
产品详情
产品名称:凸焊平圆头焊接螺钉
执行标准:GB/T13680
公称规格:M4×14
杆部直径:Φ3.45mm
产品材质:10B21硼钢
表面处理:环保锌镍合金本色
镀层厚度:5-8μm
|
|
|
|
|
|
|
|
|
|
|
|
|
|
|
产品描述
产品概述
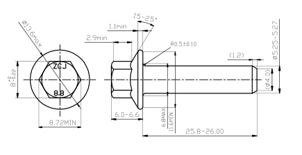
本品为符合GB/T16674标准的六角法兰面螺栓,专为汽车行业设计。规格M6×26,采用10B21硼钢制造并经热处理达到8.8级高强度。杆部精密控制为Φ5.8mm,表面采用环保锌镍合金镀层,厚度8-15μm。一体式法兰面设计提供更大支承面积,是汽车关键部位连接的理想选择。
核心优势
1 汽车级高强度:10B21硼钢配合热处理,稳定达到8.8级性能,安全可靠
2 一体法兰设计:增大支承面积,有效防松减震,省去单独垫圈,装配更高效
3 顶级防腐保护:锌镍合金镀层耐腐蚀性能极佳,轻松通过严苛盐雾测试
4 精准尺寸控制:杆部直径Φ5.8mm精确制造,确保与标准孔位的完美配合
适用行业
1 汽车底盘系统:悬挂支架、稳定杆连接、制动系统等关键安全部位
2 发动机总成:进气系统、附件支架、涡轮增压管路的可靠连接
3 车身结构:座椅导轨、安全带固定点、车门铰链等高强度连接部位
4 新能源汽车:电池箱体固定、电机控制器安装等防腐要求高的部位
温馨提示
1 本品为8.8级高强度螺栓,安装时请使用扭矩扳手并按标准扭矩值紧固
2 锌镍合金镀层本色为哑光银灰色,具有最佳耐腐蚀性,属正常工艺特性
专业顾问团队在线,随时为您提供解决方案
联系我们
联系我们:范经理-电话/微信:135-6073-0094 邮件:Flora@toprecision.com 敖经理-电话/微信:13560729614 邮件:Olia@toprecision.com
© Copyright 2011 - 2026 深圳市永精精密技术有限公司 版权所有
粤ICP备2025493240号-1

